翰林高密閉干法線丨在線控制,在線清洗,清潔驗證
1.干法制粒工作過程中關鍵工藝參數的控制

翰林LGS-HC系列干法制粒機是一款專門為高活性藥物輥壓制粒的高密閉設備,密閉等級≥OEB4。
干法制粒工作過程中關鍵工藝參數的控制:有兩種控制方式恒壓力控制和恒間隙控制。
⑴ 恒壓力控制
什么是恒壓力控制,從字面上就可以看出來,就是指壓制過程中壓輥給物料的壓制壓力是恒定不變的。壓制過程中壓輥組件上下兩個軸承座是不接觸的。液壓系統提供的壓力全部被后支撐油缸和物料所承受。只要液壓系統壓力不變,物料受到的壓制壓力就不會變。所以使用恒壓力控制的方式壓輥的設定間隙就必須要大于初始間隙。設備自動運行時螺桿就會根據設定間隙自動加速,直到壓輥間隙達到設定值。
恒壓力模式下影響片狀物料硬度的關鍵參數就是液壓系統壓力,壓輥轉速和設定間隙,螺桿轉速是自動調節的。
⑵ 恒間隙控制
顧名思義就是壓制過程中壓輥間隙是恒定不變的。恒間隙控制時液壓系統壓力設定到最大值,關閉后支撐油缸。壓制出的片狀物料的硬度,主要由螺桿的轉速決定,盡管螺桿轉速恒定,但受外界因素影響,螺桿輸送物料的量也不是恒定的。這種控制方式適用于一些只需要制粒對顆粒性質沒有特殊要求的場合。
2.1 設備實現密閉等級≥OEB4的措施
⑴ 整個工作區安裝在一個隔離器中,設備工作過程中隔離器內部維持一個-50pa~-150pa的負壓確保粉塵不會外泄,均可安全更換,換氣次數≥20次/小時。
⑵ 進風配有一級桶式高效過濾器、排風兩級push-push高效過濾器(過濾效率達到99.99%)。
進風camfil桶式高效過濾器
排風push-push雙高效過濾器
⑶ 進料可采用RTP閥,連續套袋或者A/B閥,其中RTP閥,連續套袋適用于小批量生產,A/B閥適用于大批量生產。生產過程中需要的的工具可通過連續套袋進行轉移。
⑷ 出料可采用連續套袋或者A/B閥。
⑸ LGS-HC系列干法制粒機所有與物料接觸的密封采用機械密封+正壓屏障+機械密封的結構,并且配套密封檢測系統,可以確保任何情況下都不會因為密封損壞造成密封粉塵泄漏。
2.2 突發情況以及規避措施
⑴ 玻璃門充氣密封破損。
充氣密封破損,充氣密封壓力下降會被控制系統檢測到,風機會自動增加頻率,保證隔離器內部繼續維持負壓,等工作結束后進行清洗即可。
⑵ 手套破損。
工作過程中如果手套突然破損,隔離器內壓力會突然產生壓降,然后風機就會滿功率運行,這樣就可以直接將手套直接拆除,利用連續套袋進行轉運,換上新手套即可,風機滿功率運行會使手套法蘭口產生0.5/s的面風速,確保拆除手套也不會泄漏。
⑶ 突然斷電。
防護措施:斷電后,所有電機停止動作。設備自帶UPS電源,電磁閥在斷電后均可按照控制要求動作,保證充氣密封不會漏氣。
⑷ 突然斷氣。
防護措施:設備自帶儲氣罐,當主氣源斷氣后,設備將停止運行,依靠儲氣罐的壓力,充氣密封仍然處于開啟狀態設備仍然可以保證密封。
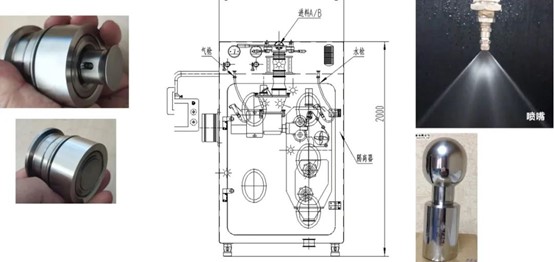
3.設備的WIP清洗
翰林LGS-HC系列干法制粒機配套在線清洗功能,主要清洗點包括,A/B閥清洗,進料斗清洗和保護罩清洗,隔離器內部清洗,可以實現全部潤濕。另外該設備還配有一把水槍用于清洗一些死角的地方,配備一把壓縮氣槍,用于清洗死角區域的殘留水。通過這種清洗方式可以確保設備的拆卸過程中不會有粉塵產生造成對人員的傷害。

